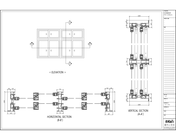
225이중창 > 조립 형태 도면

본문 바로가기
서브 헤더
PVC개보수전용바

225이중창

페이지 정보

profile_image
작성자 현대플러스 댓글 0건 조회 117회 작성일 25-09-09 16:36

본문

229e7b674961038347b2d686f2bed9ab_1757403411_9043.png
 

댓글목록

등록된 댓글이 없습니다.


현대플러스(주) 대표 우상진 주소 충청남도 논산시 가야곡면 가야공단길 14-23 사업자 등록번호 308-81-23866

전화 1599-7584 팩스 02-458-8185 개인정보관리책임자 우상진

Copyright © 현대플러스 주식회사 All rights reserved.